星三角降压启动电路是继电器控制系统中比较经典的一个电路,初学电气的朋友可能觉得有点难度,下面我们就用图解的方式讲解一下电动机星三角降压启动电路图。
所需主要元器件:三个交流接触器,一个热继电器,一个时间继电器,启动、停止按钮各一个,主断路器一个,视电机功率选定三个接触器作用:一个为主电路接通电源,一个为Y型启动,一个为△启动。时间继电器作用:通过设定确定星型到三角型转换的时间,需要延时触点。
热继电器作用:供应过载爱护。断路器作用:为电动机供应短路爱护。

星三角降压启动控制电路图
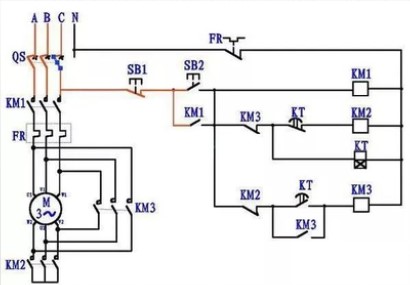
图1即为星三角降压启动电路图,QS为断路器,KM1主接触器,KM2星形连接接触器,KM3角形连接接触器, FR热继电器,KT时间继电器(通电延时型),SB1停止按钮,SB2启动按钮。给图中带电部分标上颜色。

图2,合上断路器QS。

图3,按下启动按钮SB2,从图中红色线可以看出,主接触器KM1吸合,自保。然后,电流同过KM3常闭、KT常闭到星形接触器KM2线圈,KM2吸合,同时时间继电器KT线圈也得电吸合。KM1、KM2吸合将电机接成星形接法,启动。KT吸合开始延时,比如设定延时时间为10秒。
图4,延时10秒以后,KT常闭断开,常开闭合,KM2线圈失电释放,KM2常闭恢复闭合,图中可以看出,KM3线圈得电吸合,自保。KM3常闭断开,KT线圈断电。这时电机转换成角形连接运行。完成了星三角启动。
电动机星三角转换启动原理图解:
就是对电机的三相绕组在启动时和正常运转时施加的不同的电压,来降低电机启动时的冲击电流。在启动时对电机绕组施加的是星形接法的电源,就是将电源的三条火线分别与电机三个绕组的一个端点相连,将电机三个绕组的另一个端点同时与电源的零线相连,在这种接法下,电机每个绕组所承接的电压就是220V。

由于施加的电压较低,所以启动时的电流会比较小点,减少了对电网的冲击,电机也比较容易启动。当电机启动基本正常后,它的工作电流与启动时相比会大幅减少,这时由控制电路通过时间继电器和接触器的转换,将电机三个绕组改成首尾相连,形成所谓三角形连接,并将三角形的每个“角"与电源的三条火线相连,这时电机绕组中所受到的电压变成了380V,电机就能满负荷工作。

三相异步电动机的三角接法和星型接法区别(把123看为首,456视为尾,首首相连为Y (星)型接法,首尾相连为角型接法)两种接法,与我们的接入没什么关系,如图2和3,D1。D2。D3接A。B。C三相,具体的区别是电动机接线盒中的不同,三个接线片,一-般不进行随便修改,我们只要了解他们的区别就行,图2是星型,图3是角型电动机内部有三组绕组,六个接线端,当把三个绕组的一端连在一起,而另一端分别接电源,连成一个Y型,就是星型接法;这时候电源两相之间的电流是相电流,比线电流小根3倍;
如果把三组绕组的首尾相连,然后三个首尾相连处接电源,连成-一个三角形,就是三角形接法;这时候电源两相之间的电流就是线电流,比相电流大根3倍;通常的星三角启动方式目的就是减小启动电流,而通常电机启动的瞬间电流比较大,所以一-般先以Y型启动,再转换为三角形。

究竟采用哪种接法,需要看电机铭牌,这和绕组有关系。如果标有380V或者400V, 后面画一个三角就三角型接法,画Y就星型接法;大部分电机默认三角形接法,也有一些是380V下以Y型运行的。
区别电动机三角接法的功率较大,- -般是7.5KW以上采用(也有人说是4KW)星型接法的功率小,三角接法的电动机劲很大,但是对电网冲击很大,一旦启动,周围的灯泡都要暗2下,所以三角接法的电动机很少直接启动,一般采用降压启动、自偶减压启动、变频启动(我只见过变频启动,不过还没搞明白)电动机的接法是可以调整的,当电机的铭牌上出现Y/△标志的时候就可以调整了,一般来说,星型接法的电机的电压是三角接法的1.73倍如Y/△660/380..
注意区分,Y/△和Y-△.. Y-△的意思的电动机的启动方式是星三角启动。
以上是关于《星三角降压启动电路图原理详解,3张图简单易懂!》的相关内容,想了解更多电工资讯内容,请持续关注《广东电工考试网》。也可点击下方我要报名或填写下方报名咨询表单即可得到专业老师在线解答和报考服务哦~

