-
电压低了怎么办能使电压变高 -LW-AVR电压增压器真的好!
【导读】交流低电压变高压需使用升压变压器。直流低电压变直流高压要使用DC-AC-DC逆变器。总之,使用一些手段都可以达到目的。如......[查看详情]
-
谐波对变压器的影响及危害
【导读】变压器通过绕组的匝数比对电压或者电流的大小进行改变,其容量一般是发电机容量的2~3倍,且效率较好,因此作为动力和照明电源......[查看详情]
-
机电一体化技术 - 机电一体化设备故障诊断分享
【导读】机电一体化设备故障诊断技术原理 机电一体化设备故障诊断技术原理是构建数学模型、数据采集与分析处理。构建数学模型的目的是了......[查看详情]
-
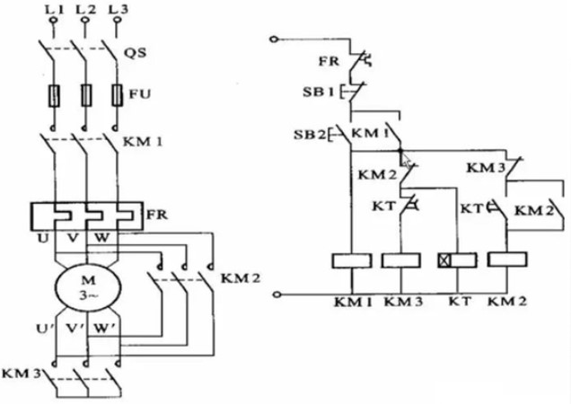
星三角降压启动电路图原理详解,3张图简单易懂!
【导读】星三角降压启动电路是继电器控制系统中比较经典的一个电路,初学电气的朋友可能觉得有点难度,下面我们就用图解的方式讲解一下电......[查看详情]
-
三相稳压器原理图详解(三相交流稳压器工作原理)
【导读】交流稳压器对交流电压进行调整控制,在指定的电压输入范围内,经过电压的调节能使输出电压稳定在指定范围内的电气设备。三相、单......[查看详情]
-
示波器的使用方法图解(示波器面板各个按钮的功能)
【导读】示波器是电子线路检测中必不可少的测试设备,它能将非常抽象的、看不见的周期信号或信号状态的变化过程,在荧光屏上描绘出具体的......[查看详情]
-
无功补偿装置不补偿的原因分析与处理
【导读】在低压供配点过程中,随着电机、互感器、变压器等感性负载使用量的增加,无功功率在电能使用过程中所占的比重越来越大。无功补偿......[查看详情]
-
补偿电容器的容量越大越好(无功补偿有一个误解)
【导读】补偿电容器的容量越大越好!对不对?不一定,看你是用在什么场合,使用的目的是什么。如果是用在电源整流滤波上就是电容越大越好......[查看详情]
-
电路板上的元器件检测技巧
【导读】备中使用着大量各种类型的电子元器件,设备发生故障大多是由于电子元器件失效或损坏引起的。因此怎么正确检测电子元器件就显得尤......[查看详情]
-
变压器有载调压开关(有载分接开关工作原理)
【导读】在电力系统中或者是在高于110千伏的用户主变压器中,大部分都会装设有载调压装置(变压器有载调压开关),因为这样做可以保证......[查看详情]


