- 
    
    
PS 快捷键大全,photoshop
【导读】PS 快捷键大全多种工具共用一个快捷键的可同时按【Shift】加此快捷键选取.工具名称快捷键是否需要Shift路径选择工......[查看详情]
 - 
    
    
电脑键盘功能基础知识
【导读】电脑键盘功能就是输入。键盘是用于操作设备运行的一种指令和数据输入装置,也指经过系统安排操作一台机器或设备的一组功能键(如......[查看详情]
 - 
    
    
千瓦(kW)和千瓦时(kWh)的区别
【导读】初中物理学中,就经常用到瓦、千瓦和千瓦时这三个单位,当时面对这三个单位,仅仅是用来计算电学中的功和功率。但是实际上有更多......[查看详情]
 - 
    
    
什么是电力稳压器?380v电压低就选电力稳压器
【导读】稳压器,这个名词在大家日常生活中来说可能比较陌生的,但是在生活中却无处不在。电力稳压器是根据西欧技术,为稳定交流电压而研......[查看详情]
 - 
    
    
无触点稳压器有什么优点和缺点
【导读】什么是无触点稳压器随着科技技术的发展,稳压器也在更新换代,也因为使用场合的不同出现了比较专业的种类。有一种稳压器是可以应......[查看详情]
 - 
    
    
线切割怎么选三相稳压器
【导读】线切割主要由机床、数控系统和高频电源这三部分组成。数控系统由单片机、键盘、变频检测系统构成,具有间隙补偿、直线插补、圆弧......[查看详情]
 - 
    
    
稳压器电子式好还是碳刷的好
【导读】稳压器电子式好还是碳刷的好?我们都晓得,当电压不稳时,或是电压过低时,对设备的正常任务是有极大的影响,如电压动摇较大,间......[查看详情]
 - 
    
    
稳压器该如何保养和维护
【导读】稳压器是使输出电压稳定的设备。稳压器由稳压恒压、控制电路、及伺服电机等组成。随着社会飞速前进,用电设备与日剧增。电压不稳......[查看详情]
 - 
    
    
电压不稳用稳压器的作用大吗?
【导读】稳压器,故名思意,就是一款可以将不稳定的稳压器,稳定为稳定可靠的电压,供用电设备使用。当我们选择的稳压器参数选择合适时,......[查看详情]
 - 
    
    
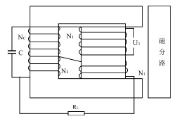
稳压变压器,什么是稳压变压器、磁饱和稳压器
【导读】稳压变压器是利用铁磁谐振原理及磁分路结构制成的一种交流稳压器,一般在应用中,人们认为稳压变压器是由电磁稳压器演变而来的,......[查看详情]
 


        
        
        
        
        
        
        
        
        
        
								
								
								
								
								
								
								
×